Архив журнала Моделист-Конструктор
|
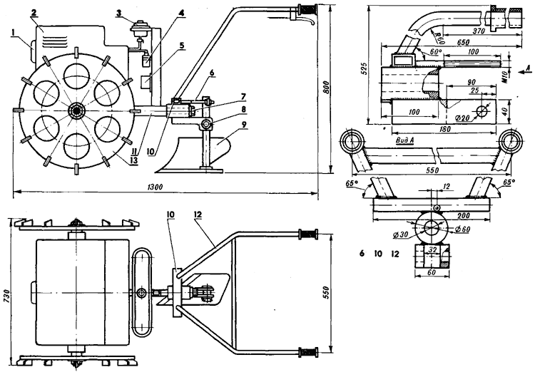
СО ВСТРОЕННЫМ РЕДУКТОРОМВ своем решении построить мотоблок я утвердился после того, как прочитал статью «Вятич» из Подмосковья» («М-К» № 7 за 1981 г.). Однако предложенная журналом конструкция, несмотря на все ее достоинства, удовлетворяла не во всем. И прежде всего не понравилась цепная трансмиссия: хотелось сделать передачу более компактной, уменьшив тем самым высоту машины и одновременно повысив безопасность работы с ней. Лучше всего был бы закрытый редуктор, но изготовить зубчатые передачи в домашних условиях непросто. Вот тут-то и возникла идея собрать трансмиссию из готовых шестерен, поступающих в продажу как запчасти к двигателю мотороллера «Электрон». Об этом следует рассказать немного подробнее.
Для изготовления редуктора мне понадобились следующие детали двигателя В-150 М: картер, четыре шестерни, три цепные звездочки и дополнительный вал коробки передач. Картер я распилил пополам, извлек из правой его половины механизм переключения скоростей и кикстартер. Отрезал и кривошипную камеру от коробки передач, а оставшуюся часть крышки аккуратно обработал напильником. На место кикстартера я впрессовал изготовленный из дюралюминиевого сплава корпус. Последний желательно дополнительно зафиксировать каким-либо способом: у меня была возможность применить аргонную электросварку, но это нетрудно сделать и с помощью обычного штифта.
Из левой половины картера я выпилил фланец под ось и использовал его в качестве подшипниковой буксы правого ходового колеса мотоблока. В принципе, эту деталь несложно выточить, но у меня имелся лишний старый картер, и я не стал отказываться от подходящего элемента.
Левую крышку редуктора также сделал из картера двигателя В-150 М. Пришлось дополнительно выточить одну деталь - дюралюминиевую втулку. Наружный ее диаметр соответствует диаметру кривошипной камеры (Ø 105 мм) и должен обрабатываться с таким расчетом, чтобы обеспечить прессовую посадку. Внутренний диаметр втулки определяется размерами хвостовика выходного вала двигателя.
Прежде чем приступить к изготовлению ведущего вала мотоблока, я разобрал коробку передач, извлек из нее крестовину и шестерни второй и третьей передач. Шестерню первой передачи оставил на своем месте, дополнительно зафиксировал ее электросваркой. Затем взял два вторичных вала, сточил у одного из них - свободного, без шестерни - буртик, насадил их на пруток Ø22 мм и приварил к последнему с внутренней стороны. В результате вал приобрел вид, показанный на рисунке 3.
У звездочки выходного вала двигателя сначала срезал зубья, а затем приварил к ней ведущую шестерню, подогнав по месту к зубчатому колесу промежуточного вала. Таким образом получил шестерню, закрепляемую с помощью шлицевого соединения на валу двигателя B-150M вместо цепной звездочки.
Сам двигатель немного доработал: приварил рычаг переключения передач, кикстартер сделал съемным. Фиксация двигателя и редуктора относительно друг друга осуществляется одним винтом М10.
Ходовые колеса вырезал из стального листа толщиной 8 мм, к каждому приварил по 12 грунтозацепов. Чтобы не делать самому ступицы со шлицами под вал, использовал цепные звездочки от того же «Электрона», присоединив их электросваркой к дискам колес.
Раму изготовил из водопроводных труб. Крепление держателя к основной балке обеспечивается болтом М16, для чего в основной лонжерон рамы вварен палец с глухим резьбовым отверстием.
В качестве бензобака послужил старый автомобильный маслобачок. Ручки управления - от мотороллера.
Рабочий орган (обычно плуг) устанавливается в вилке держателя, а угол его наклона регулируется шпилькой. Сам держатель вместе с ручками управления и плугом может вращаться вокруг пальца продольного лонжерона рамы - это обеспечивает управление мотоблоком и компенсирует неровности поля.
Мотоблок использую уже более пяти лет, и за все время не было практически ни одного серьезного отказа. Вместе с тем считаю, что возможности двигателя исчерпаны далеко не полностью. Планирую установить вал отбора мощности для привода навесной сенокосилки, а также применить съемные колеса от мотоцикла, что позволит легко трансформировать мотоблок в универсальное транспортное средство.
В. САЛОВ, г. Катав-Ивановск, Челябинская обл.
|

|
Рис. 1. Мотоблок: 1 - двигатель, 2 - кожух, 3 - бензобак, 4 - катушка зажигания, 5 - коммутатор, 6 - шпилька фиксации угла наклона рабочего органа (на виде сверху условно не показана), 7 - болт М16, 8 - ось крепления рабочего органа, 9 - рабочий орган (плуг), 10 - держатель, 11 - рама, 12 - водило с ручками управления, 13 - колесо с грунтозацепами.
Рис. 2. Ходовая часть: 1 - правое колесо, 2 - левое колесо, 3 - шестерня первой передачи, 4 - ведущий вал, 5 - редуктор, 6 - ведущая шестерня, 7 - втулка, 8 - стопорный винт М10, 9 - корпус ведущего вала, 10 - фланец-букса, 11 - гайка и болт М8, 12 - шлицевая втулка, 13 - вал, 14 - гайка М14, 15 - шайба, 16 - сальник, 17, 18 - подшипники, 19 - двигатель.
|

|
Рис. 3. Ведущий вал мотоблока: 1,2 - консольные части вала (из вторичных валов коробки передач В-150М), 3 - зубчатое колесо (из шестерни первой передачи В-150М), 4 - средняя часть вала (пруток 022 мм), 5 - срезаемый буртик.
Рис. 4. Рама: 1 - скоба, 2 - хомут (2 шт.), 3 - кронштейн крепления двигателя, 4 - хомут крепления бензобака, 5 - стойка, 6 - палец, 7 - продольный лонжерон, 8 - гайка М10.
Чертежи для печати
|