Архив журнала Моделист-Конструктор
|
ТОМАТНЫЙ КОМБАЙНКаждый раз, как подходит время консервирования овощей и заготовки соков, ловлю себя на мысли, что опять придется идти к соседу за его соковыжималкой. С виду она неказистая и немудреная по конструкции, но, один раз поработав с нею, уже не могу себя заставить пользоваться своим промышленным комбайном с электроприводом и многочисленными насадками: после него опять всю кухню придется мыть и все эти насадки чистить.
То ли дело соседская самодельная: и мыть-то потом всего три детальки, и семечки да жом не застревают, а производительность такова, что хоть и вручную, но за 30-40 минут получаю ведро томатного сока.
Очень жаль, что подобных приспособлений нет на прилавках магазинов. Поэтому решил рассказать об устройстве этого комбайна на страницах вашего журнала: может, кто изготовит для себя, а может и промышленность заинтересуется.
Внешне соковыжималка напоминает мясорубку: так же крепится струбциной к столу, тот же раструб загрузочного окна, та же ручка. Однако на этом схожесть кончается, так как принцип работы совершенно иной: внутри нет шнека и привычных ножей, хотя есть своя решетка на выходе. Вместо шнека небольшой барабан со скребками-ножами. Своими лопастями они захватывают помидор (или ломтики, если крупный) и увлекают его за собой при повороте ручки, проталкивая в сужающуюся щель между корпусом и барабаном.
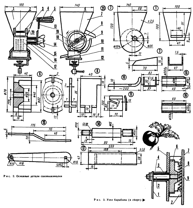
Устройство механизма предельно простое. Видимые снаружи детали это струбцина, две пластинчатых стойки кронштейна над ней, бункер с ручкой и сетчатым окном для сока и окном выхода жома, с двумя лотками под ними. Внутри же находится один-единственный узел барабан, а в нем пластины выдвижных ножей-скребков с распорной пружиной. Барабан своим утолщенным днищем с резьбовым отверстием навинчивается на хвостовик вала, который связан с приводной ручкой. Подшипником вала и одновременно сальником является фторопластовая втулка, корпусом которой служит стальная втулка, приваренная к боковине бункера.
К нижнему окну бункера приварена сетка (перфорированная пластина с отверстием Ø 1,5 мм) через нее и поступает сок на длинный лоток, закрепленный отогнутыми ушками в специально пропиленных пазах стоек кронштейна. Лоток для жома приваривается к бункеру ниже его верхнего окна.
Скребки-ножи соединены распорной пружиной. Для этого их пластины снизу разрезаны на три «лепестка»: два крайних отгибаются в противоположные стороны (упор), средний вставляется в пружину. Вверху у пластины имеется боковой выступ, ограничивающий вдавливание ее в прорезь барабана.
Ручка с валом собирается как единый узел. Вторым сборным узлом будет барабан с ножами на пружине. Вставляется он сверху бункера; затем во фторопластовую втулку вводится вал, который осторожно свинчивается с барабаном. Остается установить соковый лоток и комбайн готов к работе.
Благодаря эксцентрическому расположению барабана по отношению к стенкам корпуса скользящие по ним ножи-скребки, чем ближе к сетке, все больше утапливаются в прорези барабана, а увлекаемые ими помидоры все сильнее сдавливаются, разминаются. На сетке они уже практически протираются по ее отверстиям, полностью отдавая сок под давлением барабана. А почти сухой жом высвобождающимися затем на сходе с сетки ножами выталкивается через окно на отводящий лоток.
Так же легко, как и собирался, механизм и разбирается: снимается лоток для сока, вывинчивается из барабана вал (обратным вращением ручки) и вынимается из бункера освобожденный барабан с ножами все, можно мыть.
Думается, что эта простая машинка стала бы большим подспорьем для садоводов-любителей и огородников ведь через нее можно перепускать любые мягкие плоды, ягоды и овощи. Исключение составят лишь те, что имеют не семечки, а косточки: их нужно предварительно извлечь, а остальное пропустить через соковыжималку.
Предложенный вариант конструкции был предназначен для томатов и рассчитан на максимальный диаметр плодов 50-60 мм. При использовании машинки для других видов овощей, ягод, фруктов могут быть внесены соответствующие изменения в размеры бункера, барабана и других узлов и деталей.
Уверен: каждый, кто изготовит такое приспособление, останется доволен.
Г. АСТАХОВ, инженер, г. Ростов-на-Дону
|

|
Рис. 1. Соковыжималка и ее основные части: 1 корпус в сборе, 2 барабан, 3 лоток для сока, 4 скребки-ножи, 5 ручка с валом. |

|
Рис. 2. Основные детали соковыжималки: 1 передняя стенка бункера, 2 лоток для жома, 3 окно выхода жома, 4 вал, 5 ручка, 6 барабан, 7,20 боковые стенки бункера (стенка 20 с отверстием), 8 нож (утоплен), 9 помидор, 10 лоток для сока, 11 стойка, 12 струбцина, 13 шатун ручки, 14 ось, 15 корпус подшипника, 16 подшипник (фторопластовая втулка), 17 сетка (или перфорированная полоса с отверстиями Ø 1,5 мм), 18 нож (в выдвинутом состоянии), 19 пружина ножей.
Рис. 3. Узел барабана (в сборе): 1 ручка, 2 вал, 3 корпус подшипника, 4 подшипник (фторопластовая втулка), 5, 9 стенки бункера, 6 барабан, 7 ножи, 8 пружина.
Чертежи для печати
|