Архив журнала Моделист-Конструктор
|
«МАЛЫШ», «ВАСЮРИНЕЦ» И ДРУГИЕПод руководством учителей технического труда, энтузиастов воировского движения Краснодарского края: В. И. Мацинина из средней школы № 67 Лабинского района, A. Г. Филипского из школы № 51 того же района, И. Ф. Полякова из школы № 10 Динского района, заместителей директоров школ по производственному обучению B. К. Рядникова, А. Ф. Кульпинова, И. П. Недядько и многих других в крае руками школьников созданы удачные конструкции малогабаритных тракторов.
Эти мини-тракторы нашли широкое применение в жизни школ не только как транспортные средства, но и как машины, служащие для обучения приемам управления автотракторной техникой. Они помогают воспитанию у школьников устойчивого профессионального интереса к сельскохозяйственным механизаторским профессиям.
На страницах нашего журнала приводились краткие технические характеристики некоторых тракторов, авторами которых являются воировцы и перечисленные выше их руководители.
Отвечая на многочисленные просьбы читателей, мы публикуем подробное описание основных узлов «Малыша» и «Васюринца-10».
|

|
«Малыш», «Васюринец», «Приазовец» такие имена получили микротракторы, сконструированные юными воировцами Краснодарского края. В эти дни малогабаритные машины, созданные учащимися многих школ Кубани, трудятся на пришкольных участках, опытных полях, на делянках ученических производственных бригад. |

|
Если «Малыша» знают на Кубани и за ее пределами, то о «Васюринце-10» известно меньше. Это и понятно: он на два года моложе своего собрата. Воировцы средней школы № 67 сконструировали трактор «Малыш» к 60-летию Советской власти. В 1967 году он уже экспонировался на ВДНХ. Чертежи «Васюринца» (рис. 1) публикуются впервые.
По замыслу школьных конструкторов, руководимых В. И. Мацининым, «Малыш» (см. 1-ю стр. вкладки) предназначался главным образом для обучения вождению самых юных механизаторов, учащихся 3-4-х классов. Так оно и было в первый год. Но в последующем возможности трактора расширились. Это произошло, когда к нему был изготовлен комплекс навесных почвообрабатывающих орудий, применяемых на школьно-опытном участке.
При конструировании «Малыша» использовались стандартные узлы и детали машин, выпускаемых промышленностью. Двигатель марки УД-2, задний мост, коробку переменных передач, вал отбора мощности и редуктор взяли с трактора «Риони». Рулевое устройство от автомобиля ГАЗ-51, ведущие колеса позаимствовали у автомобиля ГАЗ-69, передние с автоподборщика сена. Ступица переднего колеса взята от трактора «Риони». Передняя ось изготовлена из швеллера № 8. Облицовка трактора: капот реконструирован из списанного трактора ДТ-20, развертка задних крыльев изготовлена из листовой стали толщиной 0,8 мм. Соединение выполнено заклепочным швом. Рама из листовой стали толщиной 8 мм. Проушины и кронштейны приварены. Скобы опоры крепления, кронштейны крепятся на болтах к плите рамы. В верхней части трактора под облицовкой помещен бензобак емкостью 6 л.
Остальные узлы и детали, такие, как прицепное устройство, сиденье, рычаги продольных и поперечных тяг, втулки, фланцы, шайбы, шкворни, стремянки, узлы креплений, крепежные и другие детали изготовлены учащимися-воировцами в школе.
Технические данные, а также удачная компоновка узлов и деталей позволили трактору успешно выполнять работы не только на школьном участке, но и на опытных участках селекционных станций.
Аналогичную конструкцию и технические данные имеют малогабаритные тракторы «Упорненец-2», «Приазовец-2» и другие, созданные на базе двигателей УД-2, о которых упоминалось в предыдущих номерах журнала «Моделист-конструктор».
Более подробно следует остановиться на новой модели малогабаритного трактора, изготовленного воировцами средней школы № 10 станицы Васюринской Динского района. «Васюринец-10» (рис. 2 и 3) так назвали его школьники сконструирован на базе пускового двигателя ПД-10. «Пускач», как называют его механизаторы, рассчитан на большое число оборотов и кратковременное использование в течение всего лишь нескольких минут. Иными словами, этот двигатель нуждался в серьезной переделке.
Юные изобретатели под руководством учителя И. Ф. Полякова подрезали головку блока, чем увеличили степень сжатия в цилиндре. Карбюратор К-16-А. Глушитель самодельный, бензобак емкостью 3 л.
Система охлаждения водяная, принудительная. Радиатор и вентилятор пригнаны от автомобиля «Москвич-402». Водяной насос взят от двигателя ГАЗ-51. Раму изготовили из швеллера № 8. Для жесткости на передней части рамы приварены поперечины из уголка № 6. Они служат основанием мотора. На передней и задней частях рамы приварены буфера из швеллера № 8. В передней части рамы подвешена поперечная полуэллиптическая независимая рессора автомобиля М-20. Поворотные цапфы, колеса и шины взяты от мотоколяски. Рулевой механизм, рулевые тяги с шарнирами от автомобиля «Москвич-402». Задний и передний мосты от автомобиля М-20. Передние, задние крылья и капот изготовлены из кровельной стали толщиной 0,8 мм.
И «Малыш» и «Васюринец-10» привлекают завершенностью конструктивных решений, оригинальной компоновкой узлов и агрегатов. Предпочтение можно отдать лишь двигателю «Малыша». Ведь он заводского производства и, несомненно, будет отличаться большей бесперебойностью в работе по сравнению с приспособленным «пускачом».
Оба трактора считаются лучшими машинами среди множества средств малой механизации в школах Кубани.
В. ЧИЧКОВ,
ТЕХНИЧЕСКАЯ ХАРАКТЕРИСТИКА ТРАКТОРА «МАЛЫШ»
Габаритные размеры, мм:
ТЕХНИЧЕСКАЯ ХАРАКТЕРИСТИКА ТРАКТОРА «ВАСЮРИНЕЦ-10»
Габаритные размеры, мм:
|

|
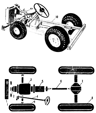
Рис 1. Трактор «Васюринец-10». Общий вид и компоновка: 1 радиатор, 2 вентилятор, 3 двигатель, 4 рулевой механизм, 5 коробка передач, 6 карданный вал, 7 задний мост, 8 ведущие колеса, 9 колесо, 10 рама. |

|
Рис. 2. Некоторые узлы трактора: передний А и задний Б мосты, прицепное устройство В, рама в сборе Г. 1 отверстия для крепления радиатора, 2 то же для крепления вентилятора, 3 то же для крепления двигателя, 4 то же для крепления коробки передач, 5 место установки главного тормозного цилиндра, 6 отверстия для крепления заднего моста. |

|
|